Wszystkie bestsellery
WENTYLATOR  KANAŁOWY PRZECIWWYBUCHOWY WOKE-100AD 3G/3D
  • WENTYLATOR  KANAŁOWY PRZECIWWYBUCHOWY WOKE-100AD 3G/3D
  • WENTYLATOR  KANAŁOWY PRZECIWWYBUCHOWY WOKE-100AD 3G/3D
  • WENTYLATOR  KANAŁOWY PRZECIWWYBUCHOWY WOKE-100AD 3G/3D
  • WENTYLATOR  KANAŁOWY PRZECIWWYBUCHOWY WOKE-100AD 3G/3D

WENTYLATOR KANAŁOWY PRZECIWWYBUCHOWY WOKE-100AD 3G/3D

WOKE-100AD3G
9 088,00 zł
Netto
11 178,24 zł Brutto
Ilość
Produkt pod zamówienie, czas realizacji zwykle 3-4 tygodni

Opis

Zastosowanie
Osiowe, kanałowe wentylatory przeciwwybuchowe. Wentylatory służą do przetłaczania gazów, par lub pyłów wybuchowych.

WOKE 3G/3D – wentylatory do pracy w strefach Z2 (2) i Z22 (22) zagrożenia wybuchem gazów i pyłów

Oznaczenie wentylatorów:




Klasa temperaturowa dla gazów: od T1 do T3
Maksymalna temp. powierzchni dla pyłów do 120stC
Temperatura otoczenia: do +40stC
Grupa wybuchowości dla gazów: IIA i IIB
Grupa wybuchowości dla pyłów: IIIB

Wentylatory przystosowane do regulacji obrotów atestowanym przemiennikiem częstotliwości.
W celu zapewnienia odpowiedniej ochrony silnika podczas regulacji, wbudowane w silnik wentylatora czujniki temperatury (3xPTC 155C) powinny być podłączone do przekaźnika z certyfikatem EC:
Przekaźnik Ex


Oznaczenie strefy
Z1 - strefa w której mieszanina gazów par lub mgieł może występować w normalnych warunkach pracy.
Z2 - strefa w której istnieje niewielkie prawdopodobieństwo wystąpienia mieszaniny wybuchowej gazów, par lub mgieł, przy czym mieszanina wybuchowa może występować jedynie krótkotrwale.
Z22 - strefa w której istnieje niewielkie prawdopodobieństwo wystąpienia wybuchowej mieszaniny pyłów i występuje krótki czas np. podczas awarii.

Konstrukcja:
Obudowa - stal malowana proszkowo farbą antystatyczną
Wirnik osiowy - stal malowana proszkowo farbą antystatyczną
Silnik elektryczny przeciwwybuchowy (trójfazowy).


W projektowaniu wyrobów uwzględniono wymagania :
DYREKTYWY – 98/37/WE - Bezpieczeństwa maszyn.
DYREKTYWY – 94/9/WE (ATEX) - Urządzenia i systemy ochronne w przestrzeniach zagrożonych wybuchem.

Do zabezpieczenia wentylatorów proponujemy atestowane wyłączniki serwisowe [zobacz więcej]

wyłączniki serwisowe

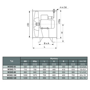
Szczegóły produktu
WOKE-100AD3G

Opis

Wydajność max. (m3/h)
46400
Spręż max. (Pa)
400
Moc (kW)
7.5
Obroty (obr./min)
1400
Napięcie (V)
400
Prąd znamionowy (A)
15.2
Głośność [dB(A)]
100
Maksymalna temperatura czynnika (C)
40
Wykonanie
EX
Montaż
KANAŁOWY
Masa (kg)
220
Średnica wlotu (mm)
1000
Możliwość regulacji obrotów
TAK
Komentarze (0)
Oceń
Na razie nie dodano żadnej recenzji.
16 innych produktów w tej samej kategorii:

Cookies

Informacje dotyczące plików cookies

Ta witryna korzysta z własnych plików cookie, aby zapewnić Ci najwyższy poziom doświadczenia na naszej stronie . Wykorzystujemy również pliki cookie stron trzecich w celu ulepszenia naszych usług, analizy a nastepnie wyświetlania reklam związanych z Twoimi preferencjami na podstawie analizy Twoich zachowań podczas nawigacji. Odpowiedzialność Google za firmowe bazy danych: https://business.safety.google/privacy/

Zarządzanie plikami cookies

O Cookies

Pliki cookie to niewielkie pliki tekstowe, które są zapisywane na komputerze lub urządzeniu mobilnym przez strony internetowe, które odwiedzasz. Służą do różnych celów, takich jak zapamiętywanie informacji o logowaniu użytkownika, śledzenie zachowania użytkownika w celach reklamowych i personalizacji doświadczenia przeglądania użytkownika. Istnieją dwa rodzaje plików cookie: sesyjne i trwałe. Te pierwsze są usuwane po zakończeniu sesji przeglądarki, podczas gdy te drugie pozostają na urządzeniu przez określony czas lub do momentu ich ręcznego usunięcia.